Простой и недорогой дом одной парой рук.

Аватара пользователя
Па 100
Модератор
Сообщения: 2166
Зарегистрирован: 30 июн 2016, 09:14
Откуда:: Москва
Благодарил (а): 3110 раз
Поблагодарили: 2927 раз

Простой и недорогой дом одной парой рук.

#551

Сообщение Па 100 » 01 окт 2017, 20:57

Денис 7 писал(а): Но если нормальные ж/б столбы тогда всё пучком - арматура столба является заземлением.
Викторыч, у нас воздушная линия выполнена по металлическим столбам.
Мироздание исполняет сбычу мечт, но у него наши руки!

Аватара пользователя
Dimention
Творец
Сообщения: 1242
Зарегистрирован: 05 июл 2016, 14:15
Откуда:: Владивосток
Благодарил (а): 784 раза
Поблагодарили: 1863 раза
Контактная информация:

Простой и недорогой дом одной парой рук.

#552

Сообщение Dimention » 02 окт 2017, 04:37

Па 100 писал(а): Подключил заземление по схеме TN-C-S.
Коль, а зачем тебе этот огород? у тебя есть свой контур заземления! Делай схему TN-S и не ломай мозг.
Нули после узо не подключаются к общему вводному нулю. У тебя к вводному нулю должен подключаться только вводной автомат, а к нему подключатеся пожарное узо. И на этом общий нуль заканчивается. Есть нуль который идет от общего узо. И нуль от узо на 30 мА.
Не может быть чтоб лапти воду пропускали! Потому что нулевой баланс на счету стимулирует работу инженера.

Аватара пользователя
Dimention
Творец
Сообщения: 1242
Зарегистрирован: 05 июл 2016, 14:15
Откуда:: Владивосток
Благодарил (а): 784 раза
Поблагодарили: 1863 раза
Контактная информация:

Простой и недорогой дом одной парой рук.

#553

Сообщение Dimention » 02 окт 2017, 04:50

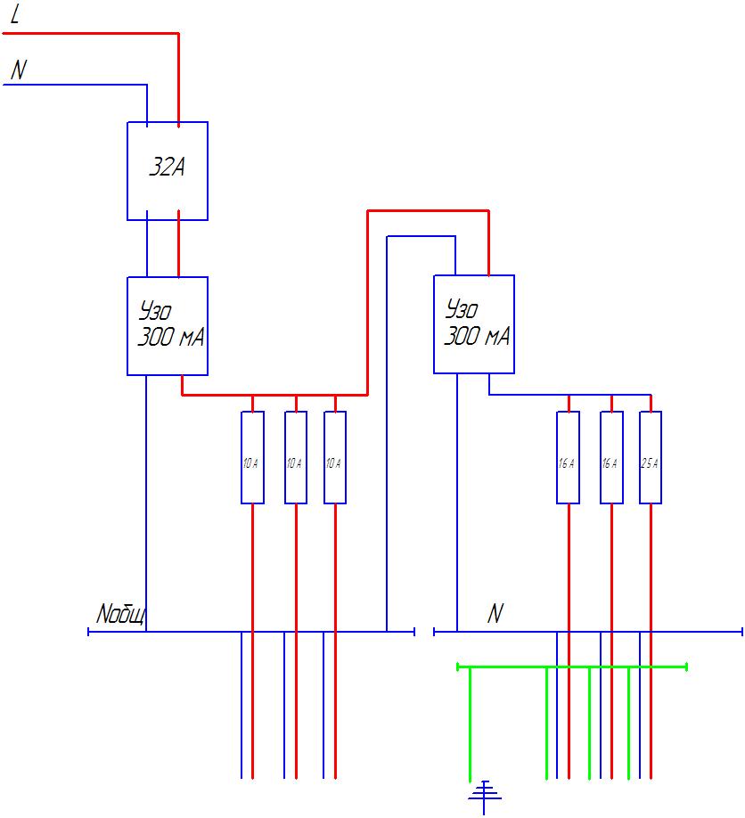
вот накидал, по моему мнению должно быть так.
щиток.jpg
Но в любом случае по твоей схеме с нулями узо работать не смогут...
Не может быть чтоб лапти воду пропускали! Потому что нулевой баланс на счету стимулирует работу инженера.

Аватара пользователя
Па 100
Модератор
Сообщения: 2166
Зарегистрирован: 30 июн 2016, 09:14
Откуда:: Москва
Благодарил (а): 3110 раз
Поблагодарили: 2927 раз

Простой и недорогой дом одной парой рук.

#554

Сообщение Па 100 » 02 окт 2017, 07:01

Dimention писал(а): вот накидал, по моему мнению должно быть так.
Ну так гораздо проще получается. Мне главное, чтобы работало.
Добро. Благодарю, Дим! :hi: Сегодня переделаю соединения в щитке.
Мироздание исполняет сбычу мечт, но у него наши руки!

Аватара пользователя
Па 100
Модератор
Сообщения: 2166
Зарегистрирован: 30 июн 2016, 09:14
Откуда:: Москва
Благодарил (а): 3110 раз
Поблагодарили: 2927 раз

Простой и недорогой дом одной парой рук.

#555

Сообщение Па 100 » 04 окт 2017, 19:19

Благодарю Диму за дельный конкретный совет. Перемонтировал систему заземления с непонятной TN-C-S на вполне понятную TN-S. Перемонтировал вводной щиток - фазу ноль ввода подал на вводной автомат, ГЗШ убрал, защитный нулевой провод подал на шину РЕ, которую соединил проводом 6 кв. мм с контуром заземления. Дом подключил отдельной линией от бытовки. Линию дома подключил к общему распред. щиту на столбе.
Напряжение на домовый щит подано. Да будет свет, да сгинет тьма!
20171002_160801.jpg
20171002_160943.jpg
20171002_160955.jpg
20171002_161125.jpg
20171002_161238.jpg
20171003_084013.jpg
20171003_084033.jpg
Мироздание исполняет сбычу мечт, но у него наши руки!

Аватара пользователя
Па 100
Модератор
Сообщения: 2166
Зарегистрирован: 30 июн 2016, 09:14
Откуда:: Москва
Благодарил (а): 3110 раз
Поблагодарили: 2927 раз

Простой и недорогой дом одной парой рук.

#556

Сообщение Па 100 » 04 окт 2017, 19:24

Выполнил устройство каркаса входного тамбура.
20171003_154814.jpg
20171004_155447.jpg
20171004_155506.jpg
20171004_160632.jpg
Мироздание исполняет сбычу мечт, но у него наши руки!

Аватара пользователя
onozdrachoff
Творец
Сообщения: 6204
Зарегистрирован: 01 янв 2016, 17:18
Откуда:: Вологда
Благодарил (а): 6486 раз
Поблагодарили: 5803 раза

Простой и недорогой дом одной парой рук.

#557

Сообщение onozdrachoff » 04 окт 2017, 19:44

Па 100 писал(а): Благодарю Диму за дельный конкретный совет. Перемонтировал систему заземления с непонятной TN-C-S на вполне понятную TN-S. Перемонтировал вводной щиток - фазу ноль ввода подал на вводной автомат, ГЗШ убрал, защитный нулевой провод подал на шину РЕ, которую соединил проводом 6 кв. мм с контуром заземления. Дом подключил отдельной линией от бытовки. Линию дома подключил к общему распред. щиту на столбе.
Напряжение на домовый щит подано. Да будет свет, да сгинет тьма!
20171002_160801.jpg20171002_160943.jpg20171002_160955.jpg20171002_161125.jpg20171002_161238.jpg20171003_084013.jpg20171003_084033.jpg
Константиныч, я не понял что у тебя где поплавилось от скруток? Вот забавнейший вопрос, а ты его утаил от обсчества. А если бы ты знал, что я там мужу с электричеством-ты бы из одного человеколюбия и сострадания все бы как на духу скомпоновал и рассказал бы. :cray: :cray: :cray: :cray: :biggrin:
БОГИ ГЛАГОЛЯТ ТВОРЯША

Аватара пользователя
Па 100
Модератор
Сообщения: 2166
Зарегистрирован: 30 июн 2016, 09:14
Откуда:: Москва
Благодарил (а): 3110 раз
Поблагодарили: 2927 раз

Простой и недорогой дом одной парой рук.

#558

Сообщение Па 100 » 05 окт 2017, 10:40

onozdrachoff писал(а): Константиныч, я не понял что у тебя где поплавилось от скруток? Вот забавнейший вопрос, а ты его утаил от обсчества. А если бы ты знал, что я там мужу с электричеством-ты бы из одного человеколюбия и сострадания все бы как на духу скомпоновал и рассказал бы. :cray: :cray: :cray: :cray: :biggrin:
Хны, хны, Генадич ... Да я всей душой! (вытирая слёзы сострадания). :rofl:
Расплавилась изоляция скруток в распаечной коробке в бытовке. Электрик четыре года назад провёл нам в бытовку линию от общей линии в предбанник бытовки. Затем три года назад я сделал проводку в помещение бытовки. Скрутку я херачил уже в сумерках и просто обмотал клемму электрика проводом на освещение и розетки. Через три года в районе вводного автомата и распаечной коробке я два раза отмечал вспышки и хлопки. Правда я почему-то думал на вводной автомат 25А. Самоуверенный дилетант! Я был уверен в своей скрутке. А контакт в скрутке ослаб вследствии нагревания - остывания уличной температуры (предбанник-то практически улица) и конечно из-за осадочных деформаций металла, ну специалисты-металлисты знают причины.
Вот между проводами в скрутке и стали возникать токи КЗ. Ещё немного и возгорание было бы :clapping: обеспечено.
Благодарю Мироздание, что недопустило эту трагедию! :clapping:
Мироздание исполняет сбычу мечт, но у него наши руки!

Аватара пользователя
onozdrachoff
Творец
Сообщения: 6204
Зарегистрирован: 01 янв 2016, 17:18
Откуда:: Вологда
Благодарил (а): 6486 раз
Поблагодарили: 5803 раза

Простой и недорогой дом одной парой рук.

#559

Сообщение onozdrachoff » 05 окт 2017, 12:16

Па 100 писал(а): от между проводами в скрутке и стали возникать токи КЗ. Ещё немного и возгорание было бы :clapping: обеспечено.
Благодарю Мироздание, что недопустило эту трагедию! :clapping:
Эт мелочи, особенно, когда медь с аллюминием в один пучок соберешь, то баавще чудесатенько случается.Лучше только КИПовский провод срабатывает, его раз нагрузил-сопротивление подросло, далее он грузится еще быстрее и так в прогрессии. В результате сначала лампочки мерцают от стиральной машины, потом только от телевизора, далее от плойки, потом просто так, а потом щиток или место соединения вспыхивают. Любимая шутка старых электриков-производственников для "честных" заказчиков :biggrin:
БОГИ ГЛАГОЛЯТ ТВОРЯША

Аватара пользователя
TDA
Администратор
Сообщения: 1007
Зарегистрирован: 19 июн 2014, 17:24
Поблагодарили: 856 раз

Простой и недорогой дом одной парой рук.

#560

Сообщение TDA » 06 окт 2017, 10:25

Па 100 писал(а): Я был уверен в своей скрутке.
Скрутку нужно пропаивать, а лучше проваривать (графический электрод + акб от машины), тогда есть надежда.
Просто скрутка всегда слабеет, ибо переменный ток имеет неприятно свойство расшатывать провода.
А моим главным детским заблуждением была твердая вера в то, что дураки с возрастом должны поумнеть.

Ответить

Вернуться в «Каркасно-щитовые»